28
2025.9
作者
366
阅读量
普通螺纹是生活和工作中使用最广泛的螺纹,螺纹紧固件( 螺栓、螺柱、螺钉和螺母等零件)上的螺纹大多为普通螺纹。
普通螺纹分粗牙普通螺纹和细牙普通螺纹。细牙普通螺纹多用于精密零件和薄壁零件上(如液压管接头中用的普通螺纹均为细牙)。
在螺纹的标记中,细牙普通螺纹的螺距必须注出,而粗牙普通螺纹的螺距一般不标注(因为同一直径的细牙普通螺纹可能有多种螺距,而粗牙的螺距是一定的)。关于普通螺纹的螺距,在国标(GB/T 193 普通螺纹 直径与螺距系列)中有详尽的说明。
普通螺纹的完整标记由五部分组成。例如:M10×1―7H―L―LH。

(1)普通螺纹的特征代号和尺寸代号
特征代号:M(表示普通螺纹)。
尺寸代号:公称直径×螺距(多线螺纹的导程和螺距均要注出,单线粗牙普通螺纹螺距不标注)。
“M10”表示:公称直径为10mm、螺距1.5mm的单线粗牙普通螺纹。
“M10×1”表示:公称直径为10mm、螺距为1mm的单线细牙普通螺纹。
(2)普通螺纹的公差带代号
普通螺纹的公差带代号由公差等级(数字)和基本偏差(外螺纹用小写字母、内螺纹用大写字母表示)所组成,例如5g6g、6g、6H和7H。
当螺纹中径公差带与顶径公差带代号不同时,需分别注出,如:M10―5g6g(5g为中径公差带代号,6g为顶径公差带代号)。
当中径与顶径公差带代号相同时,只注一个代号,如:M10×1―7H。公差带代号为6g或6H(公称直径≥ 1.6mm)时不标注(在普通螺纹的公差带不标时,均默认公差带为6g或6H)。
(3)螺纹的旋合长度
普通螺纹的旋合长度有长、中和短三种,分别用代号L、N和S表示。
例如:M10-5g6g―S为短旋合长度的螺纹,M10―7H―L为长旋合长度的螺纹。当螺纹为中等旋合长度时,代号N不标注。
当特殊需要时,可注明旋合长度的数值。如:M20×2―5g6g―40。
(4)旋向代号
左旋时标注LH,右旋时不标注。例如:M10―7H―L ―LH 为左旋螺纹,M10―7H―L 为右旋螺纹。
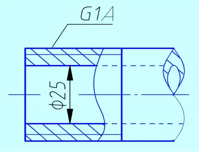
管螺纹一般用于管路(水管、油管和煤气管等)的连接中。管螺纹的标记用指引的方法标注,指引线指到螺纹的大径上。
管螺纹的标记:由螺纹特征代号、尺寸代号和旋向组成。管螺纹的尺寸代号(公称直径)不是螺纹大径的大小,而是管子的通径(英制)大小。标记中未注写旋向的均为右旋。

(1)55°非密封管螺纹的标记
G为非密封管螺纹的螺纹特征代号,标记示例如下:
G3/4: 尺寸代号为3/4的单线右旋圆柱内螺纹;
G3/4A或G3/4B: 尺寸代号为3/4的单线右旋圆柱外螺纹, 标记中的A和B是螺纹中径的公差等级;
G3/4LH和G3/4A-LH:LH表示左旋螺纹,二者构成的螺纹副仅标注外螺纹的标记代号。
(2)55°密封管螺纹的标记
55°密封管螺纹的特征代号:密封圆柱内螺纹Rp,密封圆锥内螺纹Rc,与圆柱内螺纹相配合的圆锥外螺纹R1,与圆锥内螺纹相配合的圆锥外螺纹R2。标记示例如下。
Rp3/4LH:尺寸代号为3/4的单线左旋圆柱内螺纹;
Rc3/4:尺寸代号为3/4的单线右旋圆锥内螺纹;
Rp/R1 3/4 LH和Rc/R2 3/4:内螺纹与外螺纹旋合构成螺纹副。
梯形螺纹和锯齿形螺纹常用于传递运动和动力的丝杠上。梯形螺纹工作时牙的两侧均受力,而锯齿形螺纹在工作时是单侧面受力。梯形螺纹和锯齿形螺纹的标记与普通螺纹类似。下为梯形螺纹的标记示例:
Tr40×7LH-7e:梯形螺纹(螺纹特征代号为Tr),公称直径φ40 ,单线,螺距7,左旋,中径公差带代号7e;中等旋合长度。
注意: 只标注中径公差带代号,旋合长度只有两种(代号N和L),当中等旋合长度时,N省略不注。
当螺纹为多线螺纹时,标记为:Tr40×14(P7)-7e , 其中“14”为导程,“7”为螺距,双线螺纹。
梯形螺纹的螺纹副表示为:Tr40×7-7H/7c, 内螺纹的公差带在前,外螺纹的公差带在后,二者之间用“/”分开。






